WUXI EASTHYDRAULIC MACHNIEY MANUFACTURING CO.,LTD.
Add:No.31,Wind energy road,HuiShan District,Wuxi
Tel:0510-83101137
Code:214000
Website:www.wxdfyy.com

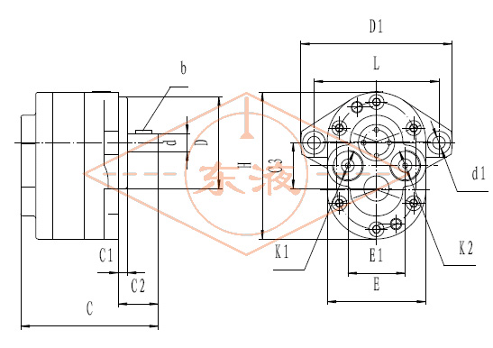
Note: the direction of oil inlet and outlet turns in two directions is reversible